Cyflwyniad Cynnyrch
Mae chwythwr gwyntyll allgyrchol ECNITY EC wedi'i ddylunio gyda modur magnet parhaol wedi'i gymudo'n electronig a strwythur cymeriant aer ochr sengl cryno. Mae'r dyluniad hwn yn dileu'r angen am wrthdroyddion neu gynwysorau allanol, gan alluogi pensaernïaeth system integredig iawn gydag opsiynau gosod hyblyg. Mae chwythwyr gwyntyll allgyrchol EC yn trosi pŵer AC yn DC yn fewnol trwy reolwr electronig integredig. Mae'r rheolwr yn rheoleiddio cyflymder modur yn union, gan yrru'r impeller i gynhyrchu grym allgyrchol a darparu llif aer a phwysau sefydlog o dan amodau llwyth amrywiol.

Paramedrau technegol chwythwr gwyntyll allgyrchol y CE:
|
Model Rhif. |
Wedi'i raddio |
Gweithrediad Voltage |
Amlder |
Wedi'i raddio |
Pŵer â Gradd |
Wedi'i raddio |
Llif Aer |
Awyr |
Swn |
|
VAC |
VAC |
Hz |
A |
W |
RPM |
m3/h |
Pa |
dBA |
|
|
EN-F140-H059-E115-A01 |
115 |
90~135 |
50/60 |
1.80 |
110 |
2150 |
480 |
400 |
65 |
|
EN-S140-H059-E115-A01 |
|||||||||
|
EN-F140-H059-E230-A01 |
230 |
184~274 |
50/60 |
0.90 |
110 |
2150 |
480 |
400 |
65 |
|
EN-S140-H059-E230-A01 |
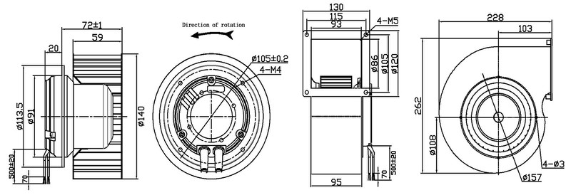
Lluniad Amlinellol:

Cromlin Perfformiad

Cysylltiad
|
Gwifren DC |
Gwifren AC |
||
|
Lliw |
Swyddogaeth |
Lliw |
Swyddogaeth |
|
Coch |
+10VDC |
Bryn |
L |
|
Glas |
GND |
Glas |
N |
|
Melyn |
0 ~ 10VDC / PWM |
Gwyrdd/Melyn |
Addysg Gorfforol |
|
Gwyn |
FG |
||
Diolch i'r cyfuniad o dechnoleg cymudo electronig a moduron cydamserol magnet parhaol, mae chwythwyr ffan allgyrchol y CE yn defnyddio 20-30% yn llai o ynni na chymheiriaid DC. Mewn-gweithrediad parhaus hirdymor, mae hyn yn arwain at arbedion cost trydan sylweddol.
Gan ddefnyddio strategaeth reoli "pŵer-ar-}), mae'r rheolydd electronig yn addasu foltedd a cherrynt modur yn ddeinamig, gan osgoi gwastraff ynni sy'n gysylltiedig â gwyntyllau traddodiadol rhy fawr. Mae manteision arbed ynni yn arbennig o amlwg o dan amodau llwyth rhannol.
Heb unrhyw golledion cyffro na rotor ac ychydig iawn o ffrithiant mecanyddol, mae cynhyrchu gwres yn cael ei leihau, gan ymestyn bywyd gwasanaeth cyffredinol. Mae'r nodweddion hyn yn gwneud chwythwyr CE yn ddelfrydol ar gyfer oeri canolfannau data a systemau awyru 24 awr.

Ein ffatri


















FAQ
1. A yw cefnogwyr allgyrchol y CE yn addas ar gyfer unedau trin aer (AHUs)?
Ydy, mae cefnogwyr allgyrchol y CE yn cael eu defnyddio'n helaeth mewn unedau trin aer. Maent yn darparu llif aer sefydlog a phwysau statig digonol ar gyfer systemau dwythell. Mae rheoli cyflymder amrywiol yn caniatáu addasiad llif aer manwl gywir. Mae hyn yn gwella effeithlonrwydd ynni cyffredinol AHU.
2. A ellir defnyddio cefnogwyr EC mewn systemau awyru HVAC?
Mae cefnogwyr y CE yn addas iawn ar gyfer systemau awyru HVAC. Maent yn cefnogi-rheoli llif aer ar sail galw. Mae effeithlonrwydd uchel yn helpu i leihau costau gweithredu. Fe'u defnyddir yn gyffredin mewn dyluniadau HVAC modern.
3. A yw cefnogwyr allgyrchol EC yn addas ar gyfer systemau awyru diwydiannol?
Ydy, mae cefnogwyr allgyrchol y CE yn cael eu defnyddio'n gyffredin mewn awyru diwydiannol. Gallant drin ymwrthedd system uwch. Mae gweithrediad sefydlog yn cefnogi defnydd diwydiannol parhaus. Mae dewis priodol yn sicrhau perfformiad dibynadwy.



