Cyflwyniad Cynnyrch
Mae'r DC HVAC Centrifugal Fan yn brif ddatrysiad symud aer a ddyluniwyd yn benodol ar gyfer systemau gwresogi, awyru a chyflyru aer modern, gan ddarparu'r perfformiad uchel sy'n ofynnol ar gyfer rheoli hinsawdd yn effeithiol. Fel cefnogwr HVAC arbenigol, mae'n defnyddio technoleg modur DC uwch i ddarparu effeithlonrwydd ynni uwch a modiwleiddio cyflymder manwl gywir, sy'n hanfodol ar gyfer cynnal llif aer cyson mewn systemau cyfaint aer amrywiol (VAV). Mae'r gefnogwr allgyrchol hwn wedi'i beiriannu i gynhyrchu pwysedd statig uchel, gan ganiatáu iddo wthio aer yn effeithiol trwy ddwythellau a hidlwyr cymhleth heb golli pŵer. Gan weithredu fel ffan awyru tawel, mae'n lleihau ôl troed acwstig unedau trin aer, gan ei gwneud yn ddelfrydol ar gyfer adeiladau preswyl, masnachol a sefydliadol. Mae ei ddyluniad cadarn a'i opsiynau rheoli deallus yn ei gwneud yn ddewis gorau i beirianwyr sy'n chwilio am gefnogwr ynni effeithlon sy'n gwneud y gorau o gysur thermol ac ansawdd aer dan do tra'n lleihau costau gweithredol.

Fan Allgyrchol DC HVACtparamedrau technegol:
|
Model Rhif. |
Wedi'i raddio |
Gweithrediad Voltage |
Wedi'i raddio |
Wedi'i raddio |
Wedi'i raddio |
Llif Aer |
Awyr |
Swn |
|
VDC |
VDC |
A |
W |
RPM |
m3/h |
Pa |
dBA |
|
|
EN-B310-H068-D024-C01 |
24 |
18~32 |
8.60 |
208 |
2050 |
2300 |
690 |
70 |
|
EN-B310-H068-D048-C01 |
48 |
36~57 |
4.30 |
208 |
2050 |
2300 |
690 |
70 |
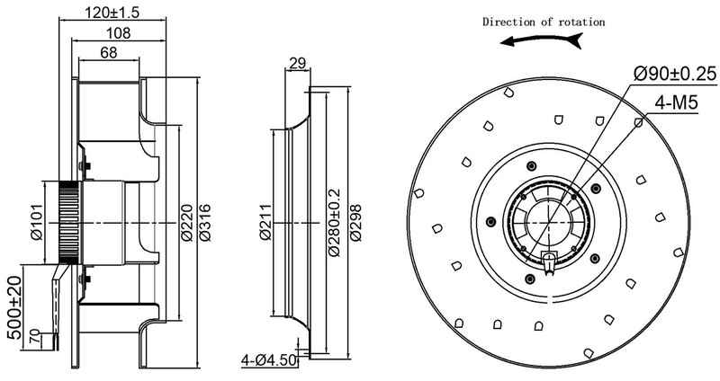
Lluniad Amlinellol:

Cromlin Perfformiad

Cysylltiad
|
Gwifren DC |
|
|
Lliw |
Swyddogaeth |
|
Coch |
024/ 048/ 310VDC |
|
Glas |
GND |
|
Melyn |
0 ~ 10VDC / PWM |
|
Gwyn |
FG |
Mae'r lluniad amlinellol hwn yn cyflwyno manylebau technegol a phwyntiau rhyngwyneb Ffan Allgyrchol DC HVAC, sy'n hanfodol ar gyfer gosod di-dor mewn unedau trin aer a systemau dwythell. Fel cydran gefnogwr HVAC graidd, mae'r sgematig yn amlygu'r olion traed mowntio safonol a fflansau rhyddhau, o faint i ffitio plenums diwydiant cyffredin, yn nodweddiadol yn amrywio o 200mm i 350mm. Mae'r llun yn pwysleisio siâp cyfaint y gefnogwr allgyrchol a chonau fewnfa, sydd wedi'u cyfuchlinio'n aerodynamig i wneud y mwyaf o ddatblygiad pwysau ac effeithlonrwydd. Mae diagramau gwifrau manwl ar gyfer pŵer DC a mewnbynnau rheoli 0-10V / PWM wedi'u cynnwys, gan hwyluso integreiddio hawdd i systemau rheoli adeiladau. Defnyddiwch y dimensiynau manwl hyn i gynllunio'ch cynllun mecanyddol, gan sicrhau bod y gefnogwr awyru hwn yn cyd-fynd yn berffaith â choiliau a hidlwyr ar gyfer y perfformiad system gorau posibl.
Mae archwiliad manwl o Fan Allgyrchol DC HVAC yn datgelu'r deunyddiau adeiladu o ansawdd uchel a ddewiswyd ar gyfer hirhoedledd mewn amgylcheddau anodd. Mae'r ddelwedd yn canolbwyntio ar y impeller cadarn, sy'n gwrthsefyll cyrydiad-wedi'i wneud yn aml o ddur galfanedig neu gyfansawdd wedi'i atgyfnerthu-wedi'i beiriannu i ddarparu gwasgedd sefydlog uchel sefydlog tra'n gwrthsefyll anffurfiad. Mae'r manylion ffan HVAC hwn yn amlygu'r tai modur DC wedi'u selio, sy'n amddiffyn electroneg fewnol rhag llwch a lleithder, nodwedd hanfodol ar gyfer cynnal dibynadwyedd ffan sy'n defnyddio ynni'n effeithlon. Gallwch hefyd weld y manwl gywirdeb-cynulliad cylchdro cytbwys a dirgryniad-gromedau lleddfu, sy'n gweithio gyda'i gilydd i sicrhau bod yr uned yn gweithredu fel gwyntyll sŵn isel. Mae'r farn fanwl hon yn cadarnhau addasrwydd y gefnogwr ar gyfer dyletswydd barhaus drylwyr, gan roi tawelwch meddwl i reolwyr cyfleusterau sy'n dibynnu ar berfformiad trin aer cyson.

Ein ffatri


















FAQ
Cwestiwn: Beth yw cysylltydd hyblyg?
Ateb: Mae cysylltydd hyblyg (neu gysylltiad cynfas) yn ynysu'r gefnogwr o'r ductwork, gan atal trosglwyddo dirgryniad a sŵn i strwythur yr adeilad.
Cwestiwn: Saim vs iro bath olew?
Ateb: Mae saim ar gyfer cyflymder cymedrol a chynnal a chadw syml; mae iro baddon olew yn darparu gwell oeri ac fe'i defnyddir ar gyfer Bearings gwyntyll dyletswydd cyflym, trwm.
Cwestiwn: Beth yw cyflymder critigol?
Ateb: Cyflymder critigol yw'r RPM lle mae amledd naturiol y rotor ffan yn cyfateb i'r cylchdro, gan achosi cyseiniant. Rhaid i gefnogwyr beidio â gweithredu ar y cyflymder hwn.



