Cyflwyniad Cynnyrch
Mae strwythur cyffredinol ffan llif echelinol ECNITY EC gyda gril gwarchod ffan yn cynnwys cydrannau craidd a chydrannau ategol sy'n cyfateb yn union, gan gydweithio i sicrhau gweithrediad sefydlog ac effeithlon.
Mae cydrannau craidd yn cynnwys y modur EC, impeller echelinol effeithlonrwydd uchel, a rheolydd electronig integredig. Mae'r modur EC yn mabwysiadu dyluniad cydamserol magnet parhaol, sy'n cynnwys colledion copr a haearn stator isel a dim colled cyffro rotor. Mae'r impeller fel arfer yn defnyddio llafnau siâp aerffoil, wedi'u cydbwyso'n ddeinamig ar y ddwy ochr, ac mae wedi'i wneud o alwminiwm cast sy'n gwrthsefyll cyrydiad i leihau cynnwrf llif aer a dirgryniad.
Mae cydrannau ategol yn cynnwys -amgaead dwbl, cylch canllaw aer mewnfa, a blwch terfynell. Mae'r llety wedi'i wneud o ddur galfanedig dip poeth cadarn, tra bod y cylch canllaw mewnfa integredig yn lleihau bylchau aer ac yn lleihau sŵn. Mae'r blwch terfynell yn hygyrch yn allanol ar gyfer gwifrau hawdd ac mae wedi'i ynysu'n gorfforol oddi wrth gydrannau electronig i wella diogelwch gweithredol.

Ffan echelinol EC gyda pharamedrau technegol cylch wal:
|
Model Rhif. |
Wedi'i raddio |
Gweithrediad Voltage |
Amlder |
Wedi'i raddio |
Pŵer â Gradd |
Wedi'i raddio |
Llif Aer |
Awyr |
Swn |
|
VAC |
VAC |
Hz |
A |
W |
RPM |
m3/h |
Pa |
dBA |
|
|
EN-G200-H035-E115-A01 |
115 |
90~135 |
50/60 |
1.20 |
68 |
3200 |
1280 |
285 |
64 |
|
EN-G200-H035-E230-A01 |
230 |
184~274 |
50/60 |
0.60 |
68 |
3200 |
1280 |
285 |
64 |
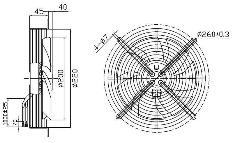
Lluniad Amlinellol:

Cromlin Perfformiad

Cysylltiad
|
Gwifren DC |
Gwifren AC |
||
|
Lliw |
Swyddogaeth |
Lliw |
Swyddogaeth |
|
Coch |
+10VDC |
Brown |
L |
|
Glas |
GND |
Glas |
N |
|
Melyn |
0 ~ 10VDC / PWM |
Gwyrdd/Melyn |
Addysg Gorfforol |
|
Gwyn |
FG |
||
Y modur EC yw'r elfen allweddol sy'n galluogi effeithlonrwydd uchel a rheolaeth ddeallus. O'i gymharu â moduron traddodiadol, mae'n cynnig manteision sylweddol.
Mae'r dyluniad cydamserol magnet parhaol yn dileu colledion cyffro, tra bod cyfluniadau dirwyn stator optimized yn lleihau fflwcs gollyngiadau a chynhyrchu gwres. Mae'r rotor yn defnyddio magnetau parhaol ac nid oes angen unrhyw ynni trydanol i sefydlu maes magnetig, gan arwain at lai o ddefnydd o ynni.
Mae'r modur EC yn integreiddio'r modiwl gyriant electronig, gan ddileu'r angen am wrthdröydd amledd allanol. Mae'r dyluniad cryno hwn yn caniatáu integreiddio uniongyrchol â'r impeller, gan leihau maint cyffredinol y gefnogwr. Wedi'i optimeiddio ar gyfer gweithrediad llwyth rhannol i lawr i 1:10, mae moduron EC yn cynnal effeithlonrwydd uchel, yn gweithredu ar dymheredd is, ac yn cynnig graddfeydd inswleiddio uchel ar gyfer gweithrediad sefydlog ar draws tymereddau amgylchynol amrywiol.
Mae cefnogwyr echelinol ECNITY EC gyda gril gwarchod ffan yn cynnig ystod eang o fanylebau technegol i weddu i gymwysiadau amrywiol, gan gynnwys llif aer, pwysedd statig, cyflymder, pŵer a foltedd.
Mae llif aer yn amrywio o gannoedd o fetrau ciwbig yr awr ar gyfer oeri offer bach i ddegau o filoedd o fetrau ciwbig yr awr ar gyfer awyru diwydiannol, gyda rhai modelau yn cyrraedd hyd at 84,300 m³/h. Mae ystodau pwysau yn cynnwys opsiynau pwysedd isel a chanolig. Gall cyflymderau graddedig gyrraedd 3600 RPM gyda rheolaeth ddi-gam. Mae graddfeydd pŵer yn amrywio o ddegau i gannoedd o wat, tra bod opsiynau foltedd fel 230 VAC yn cefnogi safonau trydanol byd-eang. Mae cynhyrchion yn cydymffurfio ag ardystiadau fel CCC a CE, gan sicrhau ansawdd a diogelwch.

Ein ffatri


















FAQ
1. Pa gefnogaeth ar ôl-werthu sydd ar gael yn nodweddiadol i gefnogwyr y CE?
Gall cymorth ar ôl gwerthu gynnwys cymorth technegol a dogfennaeth. Mae cefnogaeth yn helpu i fynd i'r afael â chwestiynau gosod neu weithredu. Mae gwasanaeth ôl-werthu dibynadwy yn gwella boddhad hirdymor. Mae argaeledd yn dibynnu ar bolisi cyflenwyr.
2. A yw cefnogwyr y CE yn addas ar gyfer prosiectau cost-sensitif?
Mae cefnogwyr y CE yn addas ar gyfer prosiectau cost-sensitif pan ystyrir cost cylch bywyd. Mae costau ynni a chynnal a chadw is yn gwrthbwyso buddsoddiad cychwynnol. Mae gweithrediad effeithlon yn gwella elw ar fuddsoddiad. Mae hyn yn gwneud cefnogwyr y CE yn ddeniadol ar gyfer defnydd hirdymor.
3. Sut mae'r gefnogwr CE hwn yn gwella cystadleurwydd y system?
Mae effeithlonrwydd a rheolaeth uchel yn gwella perfformiad y system. Mae costau gweithredu is yn gwella cystadleurwydd. Mae gweithrediad dibynadwy yn cefnogi-llwyddiant prosiect hirdymor. Mae'r ffactorau hyn yn ychwanegu gwerth at y system gyffredinol.



